绿都姑苏雅集BIM成果展示

2025-06-09 13:46

绿都姑苏雅集位于苏州市姑苏南门,由苏州绿熙置业有限公司建成,总建筑面积30000,总占地面积15000,共计房屋60户。 地下车库面积约7500㎡。负责新建建筑的管线综合及碰撞检査管线。包括:管线综合,检査管线与管线、 管线与结构之间的碰撞, 合理布设管线, 净高分析, 发现结构、管线的错漏碰缺等, 完成相关碰撞检査后,建立整个项目(所有专业)的3D漫游体验文件并展示对应的视频制作

模型图

image.png

image.png

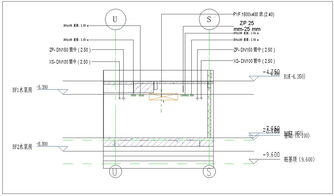
管综出图

(部分展示)

image.png

image.png

image.png


地下车库漫游截图

(部分展示)

1 拷贝-5.png1 拷贝-2.png1 拷贝-4.png